管道仪表图怎么画?
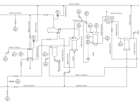
管道仪表图是指根据工艺流程图的要求,详细地表示某系统的全部设备、仪表、管道、阀门和其他有关公用工程系统的图标。管道仪表图是化工工艺及工艺系统专业的设计中心。 ...
管道仪表图是指根据工艺流程图的要求,详细地表示某系统的全部设备、仪表、管道、阀门和其他有关公用工程系统的图标。管道仪表图是化工工艺及工艺系统专业的设计中心。 ...
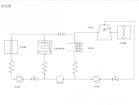
系统图是什么呢?系统图是为达到目标或解决问题,以目的-方法-原因层层分析,以寻找恰当的方法和根本原因。系统图可分为两种,一种是对策型系统图,一种是原因型系统图。系统图的套用方法非常简单,按照亿图图示的以下5个步骤,即可轻松制作精美的系统图。让我们一起开始吧 ...
什么是管道仪表图呢?管道仪表图分为两部分,是由工艺管道和仪表流程图组成。工艺管道图主要描述的是在工业管道系统中,将各种设备和管道线路,用符号和其他工程系统连接起来,绘制出所需的图表。让我们通过亿图图示几个步骤,帮你快速绘制出一幅专业实用的管道仪表图。 ...
工业控制系统是什么?工业控制系统是一个通用术语,用来描述不同类型的控制系统和相关的仪器,包括设备、系统、网络、和控制用于操作或工业过程自动化。常见的是:监控和数据采集、分布式控制系统、工业自动化和控制系统、远程终端装置、控制服务器等。一般用图形化的方式的表示工业控制系统结构,即工业控制系统图。 ...
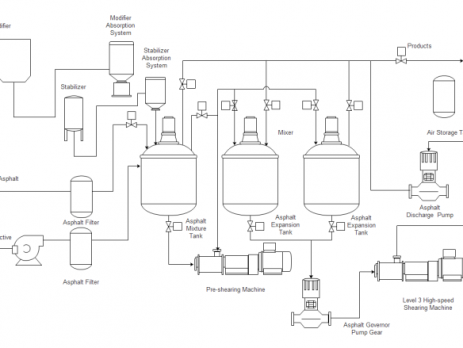
随着经济的不断发展,人们的生活水平在不断提升,社会对商品的需求也越来越大,传统的生产模式和流程已经显得力不从心。而先进的生产工艺流程图能充分发挥设备的利用率,最大限度的保证产品的质量。工艺流程图是工艺设计的关键文件,它以形象的图形符号表示出工艺过程选用的化工设备、管路、附件和仪表灯的排列及连接,借以表达在一个化工生产中物量和能量的变化过程。 了解了生产工艺流程图的诸多特点之后,那么我们该如何绘制呢...
化工工艺流程图是用图示的方法把化工生产的工艺流程和所需的设备、管道、阀门、管件、管道附件及仪表控制点表示出来的一种图样,是设备布置和管道布置设计的依据,也是施工、操作、运行及检修的指南,是化工工艺设计的主要内容。每一个化工生产工艺都有一份完整的工艺流程图,从每个工艺流程图中可以得到工艺的大部分的技术信息。 工艺流程图是化工生产的技术核心,包含了物料平衡、设备、仪表、阀门、管路等信息,无论是设计院的...
所谓工艺流程图(即PF或PFD图),是化工生产工艺流程的一种示意图,对于整个工程项目设计来说起着非常重要的作用。主要是借助统一规定的图形符号和文字代号,将化工工艺装置所需的设备、仪表、管道、阀门及主要管件等更清晰的展现出来。亿图软件中就内置了丰富的图形符号和模板,在绘制工艺流程图的时候更轻松、方便。 工艺流程图详细绘图步骤: 新建工艺流程图 打开软件,在新建预定义模板和例子中,选择“工程”图,然...
管道仪表流程图(即PI图)不仅仅是工程设计、施工的依据,同时也是企业管理、试运转、操作、维修等各方面技术支持的一部分。本文将从概念,符号,图例,设计要求等角度详谈什么是管道仪表流程图。 管道仪表流程图定义 P&ID (Piping and Instrument Diagram)是工艺管道和仪表流程图的英文简称,指的是用统一规定的图形符号和文字代号,详细地表示该系统的设备、仪表、管道、阀门和...
工艺流程图,是用各种工业标准的符号,形象化描述产品从原料到成品的制造与生产过程中所需完成的所有工作与工艺。一般来说,绘制PFD、P&ID,相关专业从事人员都是运用Visio或者AutoCAD、PIDCAD这些软件。软件都各有其优点和缺点。AutoCAD、PIDCAD这样的纯专业软件,在软件的操作与使用上的一般都需要花费一定的学习时间,而Visio这样的操作简单便利、又支持绘制多种图表的工艺...
工艺流程图,是在化工制造与生产中常见的图表,贯穿与整个工艺设计、生产制造过程。那具体来说,什么是工艺流程图呢?它有哪几种类型呢?要用到的符号又是怎样的呢?工艺流程图怎样绘制呢?今天,我给大家带来知识小课堂之工艺流程图,详细讲述工艺流程图的定义、类别、符号、阅读方式、绘制软件等。 什么是工艺流程图? 名称:工艺流程图,英文表达为Process Flow Diagram,所以又简称PFD。 定义:美...